专利状态
能够快速响应升降温的发酵装置
专利申请进度
申请
2022-12-05
授权
2023-06-06
预估到期
2032-12-05
专利基础信息
申请号 申请日
授权公布号 授权公告日
分类号
分类
申请人名称 中粮华夏长城葡萄酒有限公司
申请人地址
专利法律状态
  • 2023-06-06
    授权
    状态信息
    授权
摘要
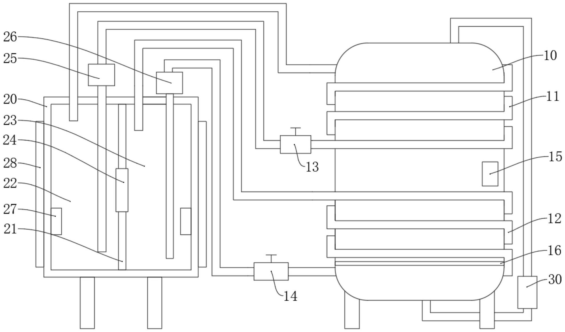
本实用新型提供了一种能够快速响应升降温的发酵装置,所述能够快速响应升降温的发酵装置,包括发酵罐、调温组件、制冷管道、制热管道、第一阀门、第二阀门和第一温度传感器;发酵罐内部用来进行葡萄发酵;调温组件具有制冷腔和制热腔;制冷管道设在发酵罐的内侧或者外侧,制冷管道设有用来与制冷腔连通的第一进水口和第一出水口;制热管道设在发酵罐的内侧或者外侧,制热管道设有用来与制热腔连通的第二进水口和第二出水口;第一阀门与制冷管道连接;第二阀门与制热管道连接;第一温度传感器,与发酵罐连接。本实用新型提供的能够快速响应升降温的发酵装置,能够在制冷状态和制热状态之间快速转换。

返回首页 | 品牌大全 | 品牌排行 | 品牌问答 | 品牌资讯 | 品牌价值 | 关于我们 | 联系我们 | 免责声明

Copyright 2013-2020 品牌门户,牌子123(www.paizi123.cn) 版权所有 备案号:苏ICP备13009020号-7

网站地图