专利状态
一种系统短路保护电路和电气设备
专利申请进度
申请
2022-12-28
授权
2023-10-13
预估到期
2032-12-28
专利基础信息
申请号 申请日
授权公布号 授权公告日
分类号
分类
申请人名称 远景能源有限公司
申请人地址
专利法律状态
  • 2023-10-13
    授权
    状态信息
    授权
摘要
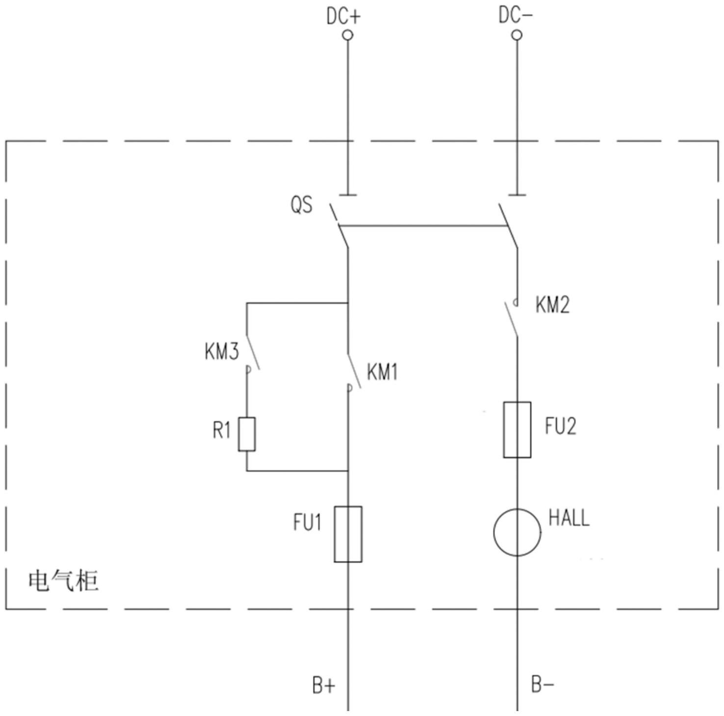
本实用新型涉及一种系统短路保护电路和电气设备,系统短路保护电路连接在系统的主回路上,主回路包括主正回路和主负回路,主正回路和主负回路均分别布置有熔断器,主正回路中的熔断器和主负回路中的熔断器的类型和熔断电流范围不同,主正回路中的熔断器和主负回路中的熔断器分别为aR(aBat)熔断器和gPV熔断器的其中一个。与现有技术相比,本实用新型具有基本实现全范围短路保护、方便小空间安装、能预防单一失效性和成本低等优点。

返回首页 | 品牌大全 | 品牌排行 | 品牌问答 | 品牌资讯 | 品牌价值 | 关于我们 | 联系我们 | 免责声明

Copyright 2013-2020 品牌门户,牌子123(www.paizi123.cn) 版权所有 备案号:苏ICP备13009020号-7

网站地图