专利状态
一种低电压驱动各向异性磁阻传感器的旋转检测电路
专利申请进度
申请
2022-01-11
授权
2022-09-09
预估到期
2032-01-11
专利基础信息
申请号 申请日
授权公布号 授权公告日
分类号
分类
申请人名称 浙江东胜物联技术有限公司
申请人地址
专利法律状态
  • 2022-09-09
    授权
    状态信息
    授权
摘要
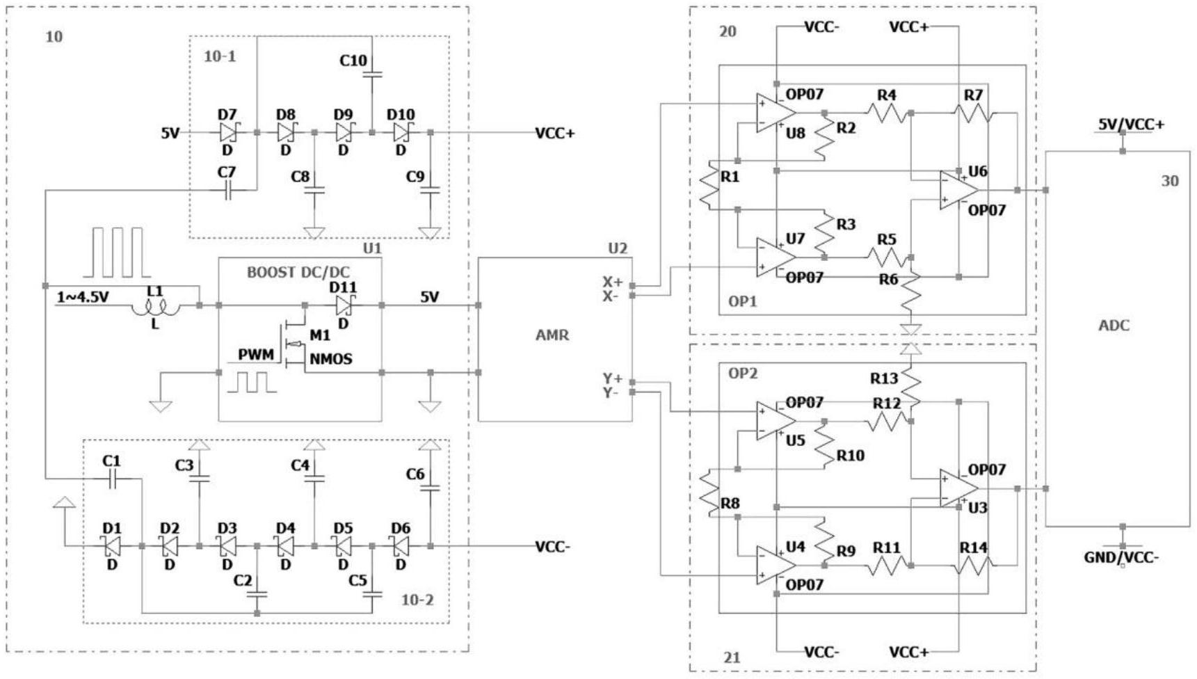
本实用新型公开了一种低电压驱动各向异性磁阻传感器的旋转检测电路。它包括boost升压DC/DC与正负电压电荷泵模块、仪表放大器模块、各向异性磁阻AMR传感器U2和采样模块;所述boost升压DC/DC与正负电压电荷泵模块分别与各向异性磁阻AMR传感器U2连接和仪表放大器模块连接,所述仪表放大器模块与采样模块连接。本实用新型的有益效果是:无需采用额外的DC/DC来生成正负高电压,降低了成本;也无需引入额外的时钟信号CLK,降低了成本与电路复杂程度。

返回首页 | 品牌大全 | 品牌排行 | 品牌问答 | 品牌资讯 | 品牌价值 | 关于我们 | 联系我们 | 免责声明

Copyright 2013-2020 品牌门户,牌子123(www.paizi123.cn) 版权所有 备案号:苏ICP备13009020号-7

网站地图