专利状态
智能移动电源租赁的充电控制电路结构
专利申请进度
申请
2019-01-04
授权
2019-08-23
预估到期
2029-01-04
专利基础信息
申请号 申请日
授权公布号 授权公告日
分类号
分类
申请人名称 深圳市云充吧科技有限公司
申请人地址
专利法律状态
  • 2021-07-09
    专利权的保全及其解除
    状态信息
    专利权的保全IPC(主分类):H02J7/00授权公告日:20190823登记生效日:20210616
  • 2019-08-23
    授权
    状态信息
    授权
  • 2019-08-23
    授权
    状态信息
    授权
摘要
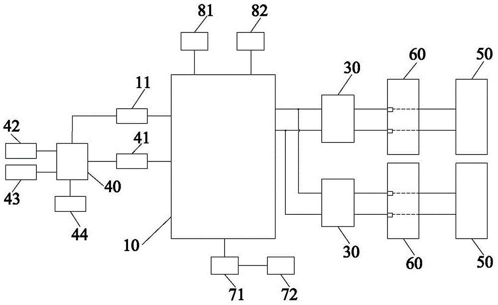
本实用新型涉及一种智能移动电源租赁的充电控制电路结构,包括有一微控制器、一I2C总线、至少两I2C信号开关芯片、一通讯模块、至少两用于连接移动电源的槽位充电电路、至少两驱动电路以及至少两锁固机构;通讯模块和驱动电路分别连接微控制器,微控制器通过I2C总线与槽位充电电路进行通信,I2C总线通过I2C信号开关芯片连接槽位充电电路,I2C总线的从地址保持一致;微控制器控制I2C信号开关芯片的闭合,实现每次只获取一槽位充电电路上移动电源的信息;借此,其通过每一槽位充电电路配置有一I2C信号开关芯片,使得微控制器可以动态插拔访问相同从地址的移动电源,获得移动电源信息。

返回首页 | 品牌大全 | 品牌排行 | 品牌问答 | 品牌资讯 | 品牌价值 | 关于我们 | 联系我们 | 免责声明

Copyright 2013-2020 品牌门户,牌子123(www.paizi123.cn) 版权所有 备案号:苏ICP备13009020号-7

网站地图