专利状态
一种蓝牙耳机PCB板载天线
专利申请进度
申请
2023-08-16
授权
2024-03-22
预估到期
2033-08-16
专利基础信息
申请号 申请日
授权公布号 授权公告日
分类号
分类
申请人名称 深圳市和宏实业股份有限公司
申请人地址
专利法律状态
  • 2024-03-22
    授权
    状态信息
    授权
摘要
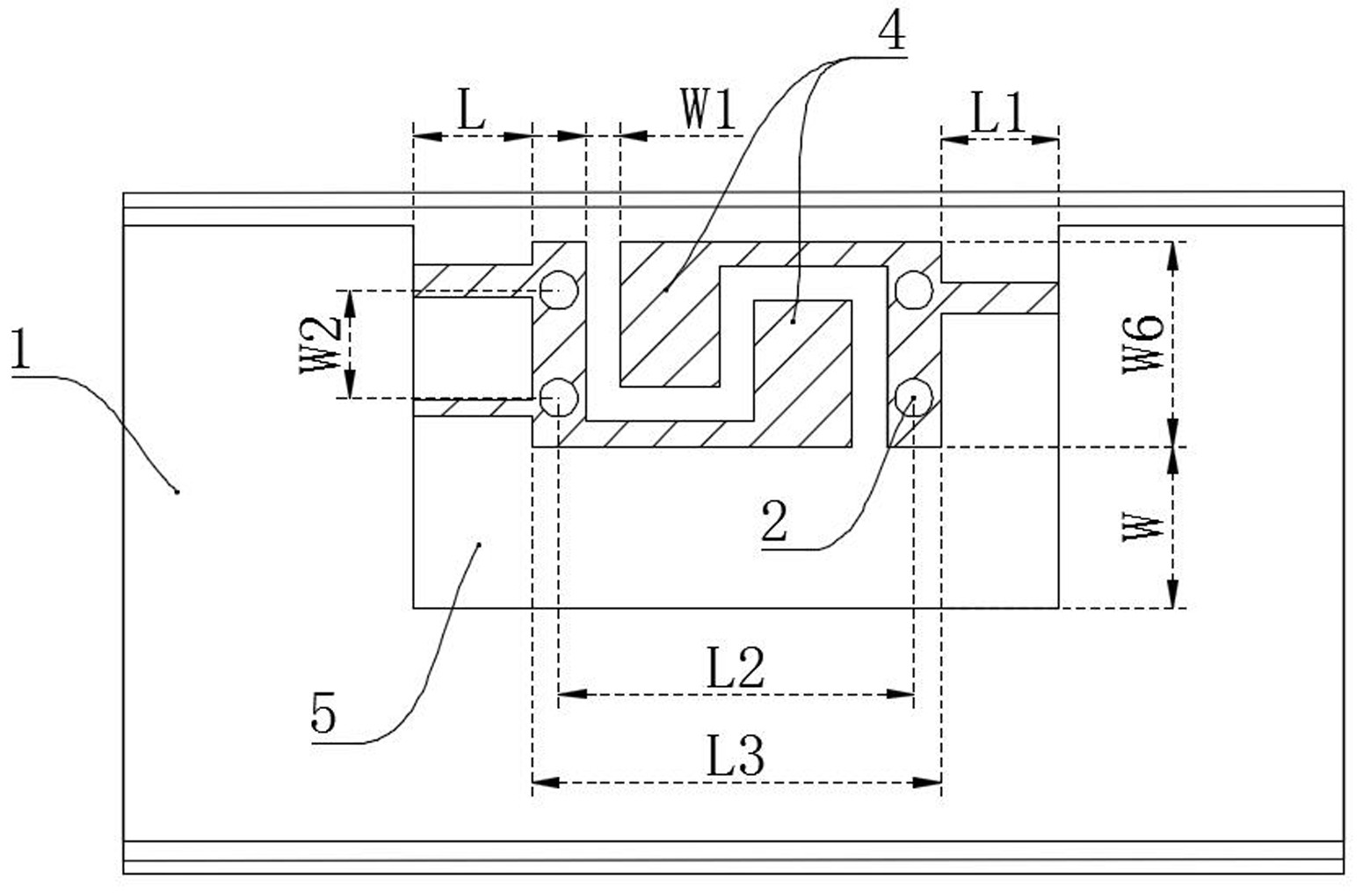
本实用新型涉及一种蓝牙耳机PCB板载天线,包括PCB基板,所述PCB基板的顶层和底层分别设有铜箔层,所述PCB基板设有贯穿PCB基板顶层和底层的金属过孔,所述PCB基板还设有天线导体,所述天线导体包括上天线导体和下天线导体,所述上天线导体设置在PCB基板的顶层位置,所述下天线导体设置在PCB基板底层位置,所述上天线导体和下天线导体通过金属过孔电性连接,直接在PCB板上形成蓝牙天线,相比市场上相同结构特征的蓝牙天线而言,它具备有体积小,成本低,通信稳定,参数一致性好的特点。

返回首页 | 品牌大全 | 品牌排行 | 品牌问答 | 品牌资讯 | 品牌价值 | 关于我们 | 联系我们 | 免责声明

Copyright 2013-2020 品牌门户,牌子123(www.paizi123.cn) 版权所有 备案号:苏ICP备13009020号-7

网站地图