专利状态
钢丝绳抓捕制动器
专利申请进度
申请
2014-09-30
申请公布
2015-01-28
授权
2016-06-15
预估到期
2034-09-30
专利基础信息
申请号 申请日
授权公布号 授权公告日
分类号
分类
申请人名称 焦作市银星制动器有限公司
申请人地址
专利法律状态
  • 2016-06-15
    授权
    状态信息
    授权
  • 2015-02-25
    实质审查的生效
    状态信息
    实质审查的生效IPC(主分类):B61B 12/00申请日:20140930
  • 2015-01-28
    公布
    状态信息
    公开
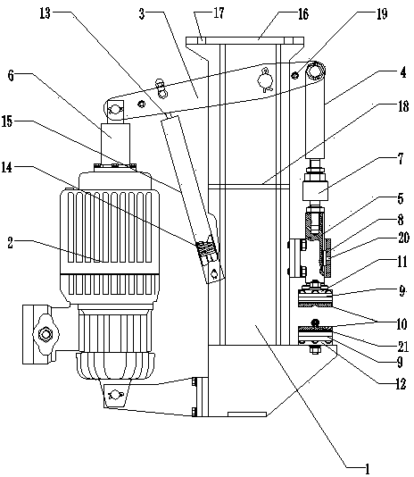
摘要
钢丝绳抓捕制动器,其特征在于:包括基体、推动器、制动臂、弹簧复位系统、传动杆、导杆和制动机构,推动器下端铰接于基体下部,推动器的推杆上端与制动臂左端铰接,制动臂靠右部分铰接于基体上部,制动臂右端与传动杆上端铰接,传动杆下端通过浮动接头与导杆上端连接,导杆竖直贯穿于固定设置在基体上的导杆支座中心位置;制动机构由上下对称设置的制动块组成,制动块由挡板和制动摩擦片组成,制动摩擦片固定设置于挡板外侧面,上制动块固定设置于导杆下端面,下制动块固定设置于基体下端部;弹簧复位系统上端铰接于制动臂上,且其与制动臂的连接点位于制动臂与基体连接点的左侧,弹簧复位系统下端铰接于基体下部。

返回首页 | 品牌大全 | 品牌排行 | 品牌问答 | 品牌资讯 | 品牌价值 | 关于我们 | 联系我们 | 免责声明

Copyright 2013-2020 品牌门户,牌子123(www.paizi123.cn) 版权所有 备案号:苏ICP备13009020号-7

网站地图