专利状态
一种带增程器的低速车锂电池系统
专利申请进度
申请
2020-06-18
授权
2021-07-30
预估到期
2030-06-18
专利基础信息
申请号 申请日
授权公布号 授权公告日
分类号
分类
申请人名称 广东金华达电子有限公司
申请人地址
专利法律状态
  • 2021-07-30
    授权
    状态信息
    授权
  • 2020-06-18
    公布
    状态信息
    公布
摘要
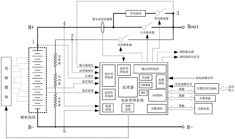
本实用新型涉及电池技术领域,尤指一种带增程器的低速车锂电池系统,包含:电池管理系统、锂电池组、霍尔电流传感器、主正继电器、预充继电器、增程器电源、均衡模块、热管理模块以及端口(Bout、B+和B‑),所述电池管理系统与所述锂电池组、霍尔电流传感器、主正继电器、预充继电器、增程器电源、均衡模块以及热管理模块连接,所述锂电池组经霍尔电流传感器、主正继电器与端口Bout连接,所述均衡模块与锂电池组连接。本实用新型能对电池充放电进行监控,而且能扩大低速车的地域使用范围、方便用户充电。

返回首页 | 品牌大全 | 品牌排行 | 品牌问答 | 品牌资讯 | 品牌价值 | 关于我们 | 联系我们 | 免责声明

Copyright 2013-2020 品牌门户,牌子123(www.paizi123.cn) 版权所有 备案号:苏ICP备13009020号-7

网站地图