专利状态
低成本电子秤检定和标定装置
专利申请进度
申请
2022-12-31
授权
2023-05-05
预估到期
2032-12-31
专利基础信息
申请号 申请日
授权公布号 授权公告日
分类号
分类
申请人名称 台衡精密测控(昆山)股份有限公司
申请人地址
专利法律状态
  • 2023-05-05
    授权
    状态信息
    授权
摘要
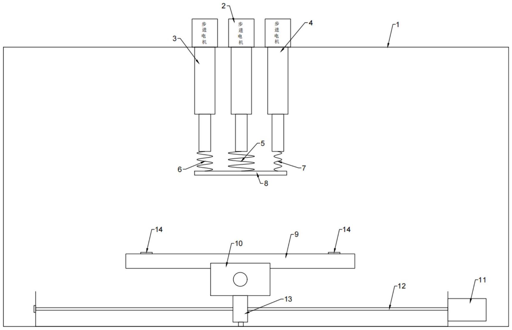
本申请公开了低成本电子秤检定和标定装置,涉及电子秤检定装置技术领域,包括机架、第一升降机构、第二升降机构、第三升降机构、第一弹簧、第二弹簧、第三弹簧、砝码、测定平台;所述测定平台安装于所述机架上,所述第一升降机构、所述第二升降机构、所述第三升降机构分别安装于所述测定平台的上方,所述第一弹簧的顶端安装于所述第一升降机构的伸缩端,所述第二弹簧的顶端安装于所述第二升降机构的伸缩端,所述第三弹簧的顶端安装于所述第三升降机构的伸缩端,所述砝码安装于所述第一弹簧、所述第二弹簧、所述第三弹簧的底端;所述第一弹簧的线径Q、所述第二弹簧的线径P、所述第三弹簧的线径D满足Q>P>D。本申请的装置成本低、体积小。

返回首页 | 品牌大全 | 品牌排行 | 品牌问答 | 品牌资讯 | 品牌价值 | 关于我们 | 联系我们 | 免责声明

Copyright 2013-2020 品牌门户,牌子123(www.paizi123.cn) 版权所有 备案号:苏ICP备13009020号-7

网站地图