专利状态
具有自除霜功能的间接冷凝式油气回收机组
专利申请进度
申请
2018-09-29
申请公布
2019-01-08
授权
2024-02-06
预估到期
2038-09-29
专利基础信息
申请号 申请日
授权公布号 授权公告日
分类号
分类
申请人名称 南京五洲制冷集团有限公司
申请人地址
专利法律状态
  • 2024-02-06
    授权
    状态信息
    授权
  • 2019-02-01
    实质审查的生效
    状态信息
    实质审查的生效;IPC(主分类):B01D5/00;申请日:20180929
  • 2019-01-08
    公布
    状态信息
    公布
摘要
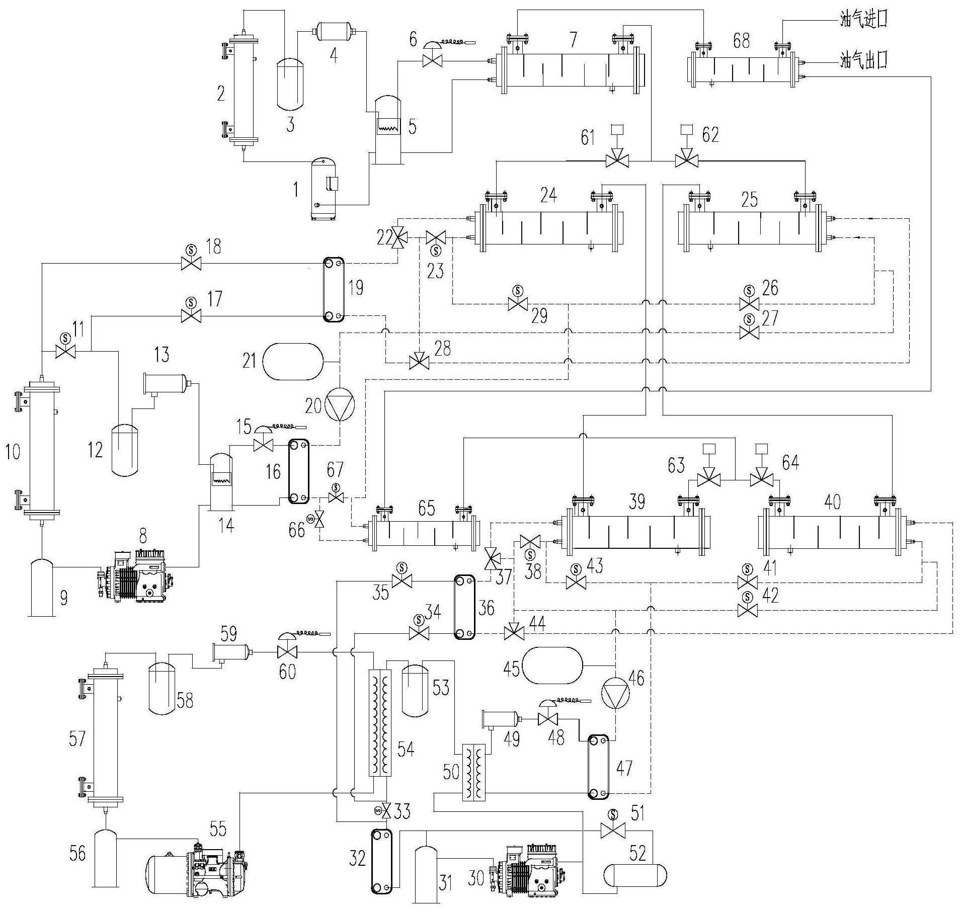
本发明公开了一种具有自除霜功能的间接冷凝式油气回收机组,包括由油气管道连接的一级直膨式冷凝系统、二级间接冷凝系统、三级间接冷凝系统和余冷回收系统。本发明将直膨式制冷技术和间接冷凝技术有机结合,第二级和第三级容易结冰和凝固的系统,因存在制冷和除霜模式的切换,易出现因制冷剂的迁移导致低压和缺油问题,而采用间接冷凝式技术,使得压缩机制冷剂系统始终处于单一的制冷循环,彻底避免了制冷迁移问题,进而解决了系统低压和压缩机缺油问题,大大提高了冷凝机组运行的可靠性。

返回首页 | 品牌大全 | 品牌排行 | 品牌问答 | 品牌资讯 | 品牌价值 | 关于我们 | 联系我们 | 免责声明

Copyright 2013-2020 品牌门户,牌子123(www.paizi123.cn) 版权所有 备案号:苏ICP备13009020号-7

网站地图