专利状态
一种PVC塑胶粒子出料用可控量式防堵塞装置
专利申请进度
申请
2020-11-25
申请公布
2021-02-26
授权
2022-09-20
预估到期
2040-11-25
专利基础信息
申请号 申请日
授权公布号 授权公告日
分类号
分类
申请人名称 金华市锦绣纺织品有限公司
申请人地址
专利法律状态
  • 2022-09-20
    授权
    状态信息
    授权
  • 2021-02-26
    公布
    状态信息
    公布
摘要
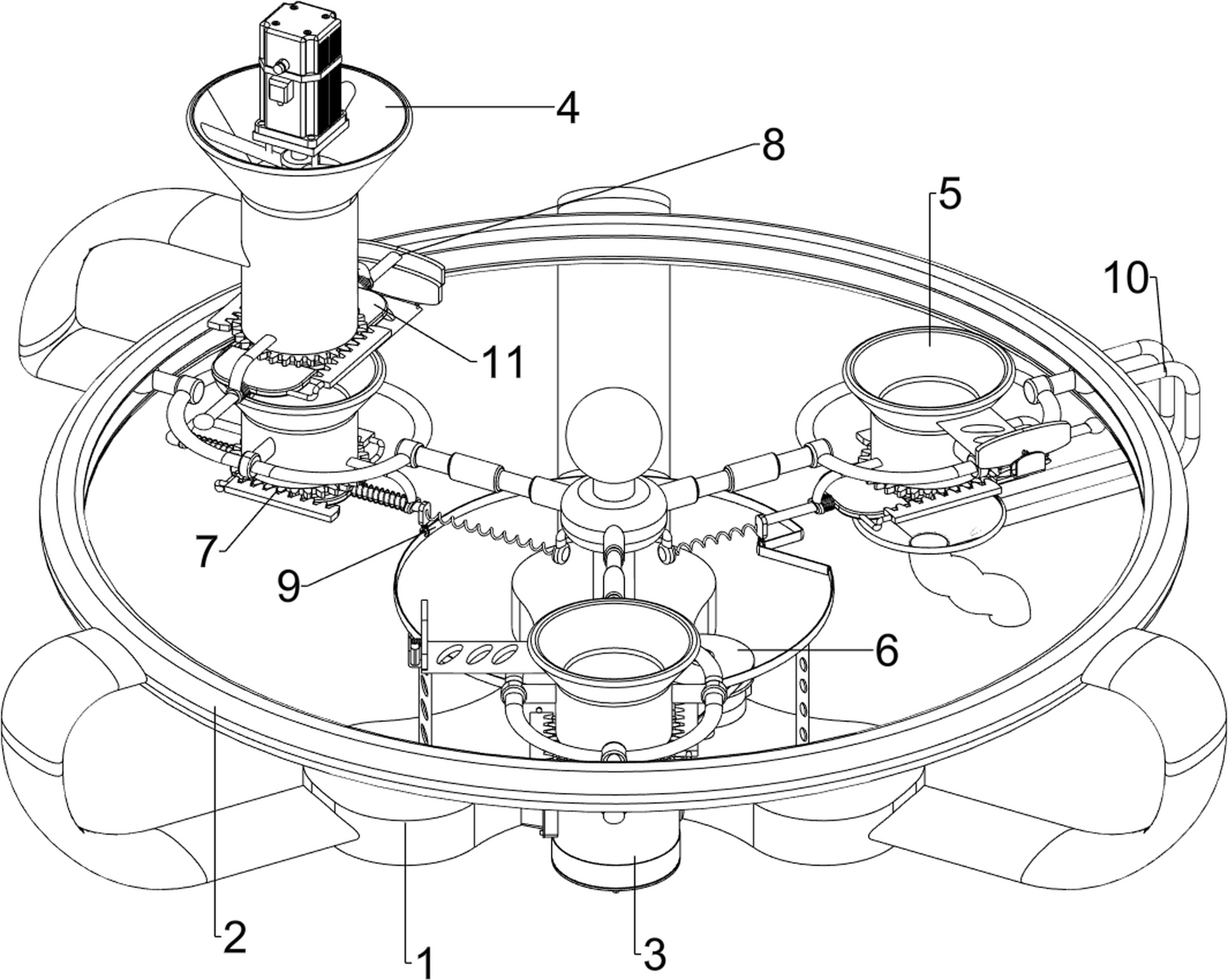
本发明涉及一种防堵塞装置,尤其涉及一种PVC塑胶粒子出料用可控量式防堵塞装置。技术问题:提供一种能够自动搅拌出料和便于收集的PVC塑胶粒子出料用可控量式防堵塞装置。提供了这样一种PVC塑胶粒子出料用可控量式防堵塞装置,包括有底座、第一滑轨、电机、出料机构、分配机构、旋转机构等;底座外侧顶部之间设有第一滑轨,底座前侧连接有电机,第一滑轨左侧连接有出料机构,底座中间转动式连接有分配机构,电机输出轴与分配机构之间连接有旋转机构,分配机构上连接有第一开关机构,底座和第一滑轨,底座外侧顶部之间设有第一滑轨。通过出料机构的配合,可以实现将PVC塑胶粒子进行不断搅拌,以便于下料。

返回首页 | 品牌大全 | 品牌排行 | 品牌问答 | 品牌资讯 | 品牌价值 | 关于我们 | 联系我们 | 免责声明

Copyright 2013-2020 品牌门户,牌子123(www.paizi123.cn) 版权所有 备案号:苏ICP备13009020号-7

网站地图