专利状态
一种多电池并联控制器、电动车、及电动车控制系统
专利申请进度
申请
2023-08-25
授权
2024-03-08
预估到期
2033-08-25
专利基础信息
申请号 申请日
授权公布号 授权公告日
分类号
分类
申请人名称 英凡蒂(北京)科技有限公司
申请人地址
专利法律状态
  • 2024-03-08
    授权
    状态信息
    授权
摘要
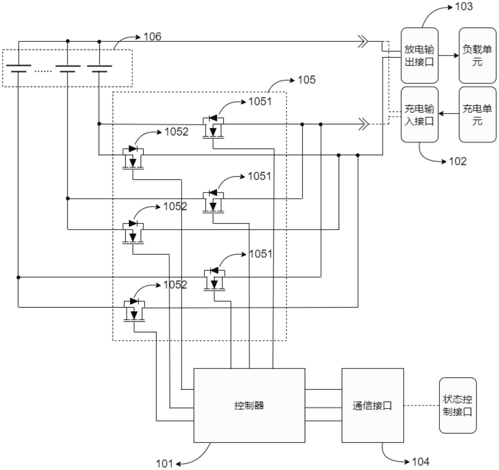
本公开实施例提供了一种多电池并联控制器、电动车、及电动车控制系统,包括:控制器、充电输入接口、放电输出接口、通信接口、和电子开关;其中,为每个电池设置两个电子开关,包括位于电池与所述充电输入接口所在通路上的第一电子开关,及位于电池与所述放电输出接口所在通路上的第二电子开关;所述通信接口,与所述控制器引脚连接;用于接收用户发送的状态模式指令,并将所述状态模式指令发送给所述控制器;所述控制器,与每个电子开关引脚连接;用于接收所述状态模式指令并解析;根据解析结果,控制对应电子开关的通断,以控制对应电池按照所述状态模式指令所指示的状态模式进行充放电。能够满足用户的多样化需求,灵活地对多电池进行充放电。

返回首页 | 品牌大全 | 品牌排行 | 品牌问答 | 品牌资讯 | 品牌价值 | 关于我们 | 联系我们 | 免责声明

Copyright 2013-2020 品牌门户,牌子123(www.paizi123.cn) 版权所有 备案号:苏ICP备13009020号-7

网站地图