专利状态
玛卡清洗风干一体机
专利申请进度
申请
2017-02-13
授权
2017-09-29
预估到期
2027-02-13
专利基础信息
申请号 申请日
授权公布号 授权公告日
分类号
分类
申请人名称 青海瑞湖生物资源开发有限公司
申请人地址
专利法律状态
  • 2017-09-29
    授权
    状态信息
    授权
摘要
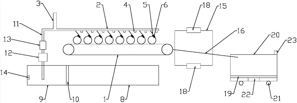
本实用新型涉及清洗装置技术领域,具体涉及一种玛卡清洗风干一体机;包括淋洗部、风干部和收集部,淋洗部包括运输带,运输带的上方设有淋水管,淋水管的进水端与总水管连接,淋水管上设有喷水孔,淋水管上设有弹性挡板,弹性挡板倾斜设置,弹性挡板与水平面之间的夹角为40‑60°,弹性挡板的上端与淋水管固定连接,下端面向运输带运输方向的一侧设有用于刷洗运输带上玛卡的毛刷,运输带上设有网孔;采用本实用新型技术方案的玛卡清洗风干一体机,解决了传统的人工清洗效率低且清洗效果不好的问题,具有自动化程度高,能够明显提高工作效率且水资源可重复使用,节水效果明显。

返回首页 | 品牌大全 | 品牌排行 | 品牌问答 | 品牌资讯 | 品牌价值 | 关于我们 | 联系我们 | 免责声明

Copyright 2013-2020 品牌门户,牌子123(www.paizi123.cn) 版权所有 备案号:苏ICP备13009020号-7

网站地图