专利状态
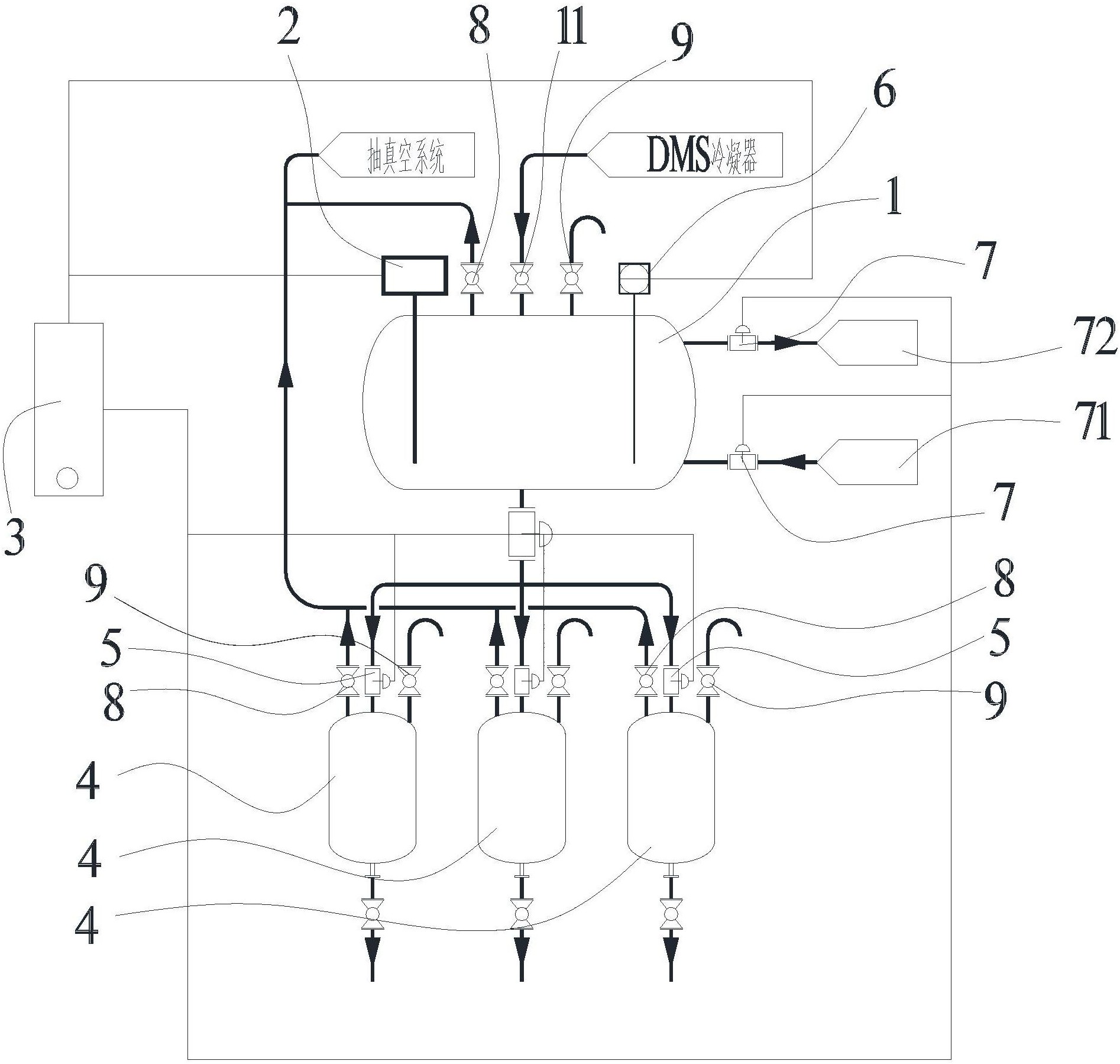
硫酸二甲酯精制产品自动化分离装置
专利申请进度
申请
2016-08-31
申请公布
2017-03-22
授权
2018-02-16
预估到期
2036-08-31
专利基础信息
申请号 申请日
授权公布号 授权公告日
分类号
分类
申请人名称 湖北远大富驰医药化工股份有限公司
申请人地址
专利法律状态
  • 2018-02-16
    授权
    状态信息
    授权
  • 2017-04-19
    实质审查的生效
    状态信息
    实质审查的生效IPC(主分类):C07C 303/44申请日:20160831
  • 2017-03-22
    公布
    状态信息
    公开
摘要
本发明提供了一种硫酸二甲酯精制产品自动化分离装置,可实时掌握硫酸二甲酯精制产品酸度情况,精确分类收集不同酸度规格产品,实现硫酸二甲酯产品按品质自动分离,实现酸度≤0.1%的高端硫酸二甲酯产品批量产出,提高了高端硫酸二甲酯产品产量;通过中间存储罐之间的切换实现连续采出,精制生产不中断,大大提高生产效率;实现实时检测酸度,不同酸度规格硫酸二甲酯产品自动分离,岗位员工取样分析频次大幅减少,操作风险大幅降低。

返回首页 | 品牌大全 | 品牌排行 | 品牌问答 | 品牌资讯 | 品牌价值 | 关于我们 | 联系我们 | 免责声明

Copyright 2013-2020 品牌门户,牌子123(www.paizi123.cn) 版权所有 备案号:苏ICP备13009020号-7

网站地图