专利状态
桥梁检测车液压行走集成控制装置
专利申请进度
申请
2022-11-16
授权
2023-06-02
预估到期
2032-11-16
专利基础信息
申请号 申请日
授权公布号 授权公告日
分类号
分类
申请人名称 徐州徐工随车起重机有限公司
申请人地址
专利法律状态
  • 2023-06-02
    授权
    状态信息
    授权
摘要
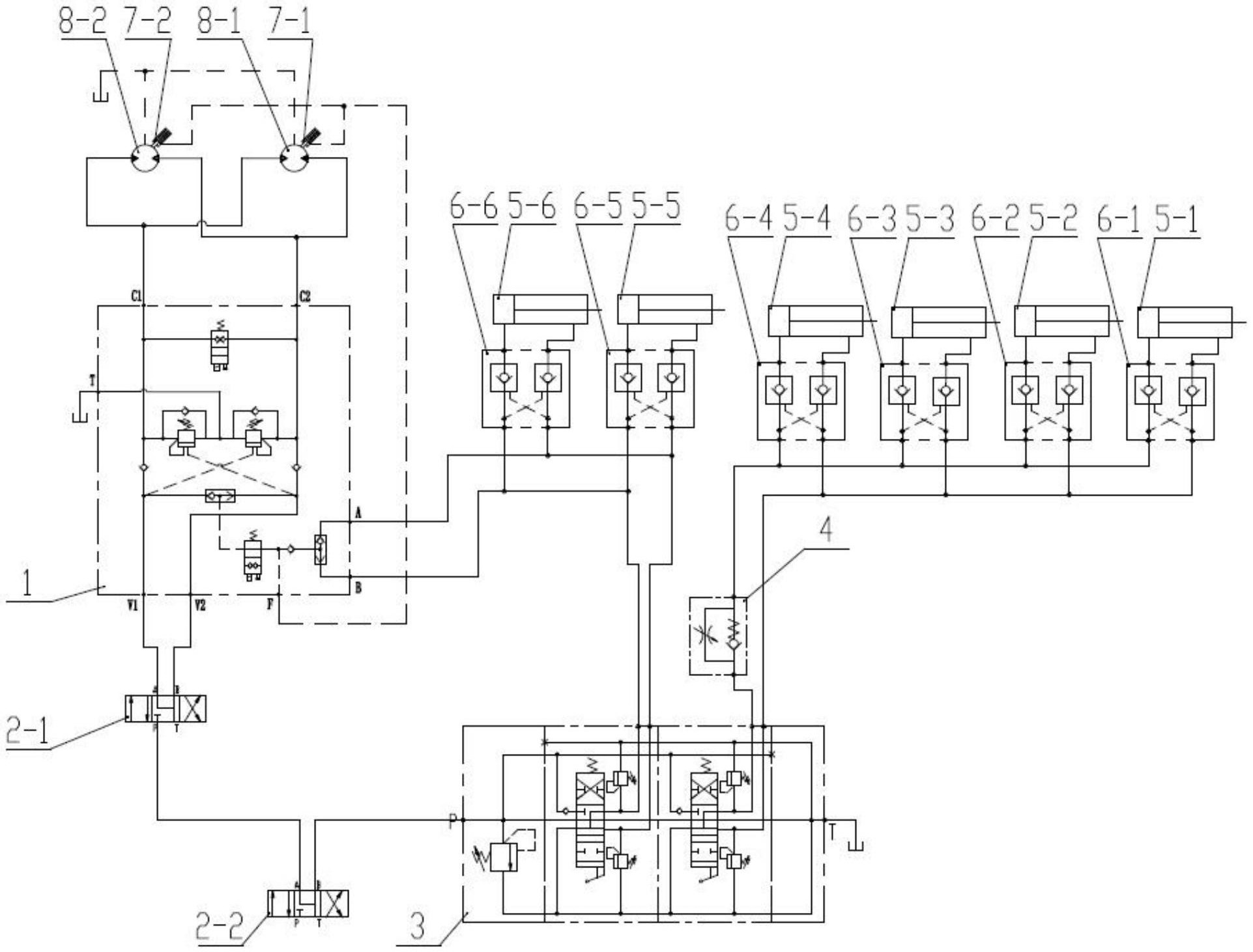
本实用新型公开了一种桥梁检测车液压行走集成控制装置,包括行走集成阀组、马达行走换向阀、主油路换向阀、支腿和稳定器多路阀、单向节流阀、油缸组件、双向液压锁、减速机制动器和行走马达;主油路换向阀与马达行走换向阀、支腿和稳定器多路阀连接;马达行走换向阀的工作油口与行走集成阀组的进油口相连;行走集成阀组的工作油口和行走马达的工作油口相连;减速机制动器与行走集成阀组相连;支腿和稳定器多路阀与行走集成阀组连接;单向节流阀安装在支腿和稳定器多路阀与油缸组件之间。本实用新型通过行走集成阀组来实现液压行走马达快速回油,减少回油沿程压力损失,提高传动效率,并及时解除减速机制动,实现了行走轮自由转动,减少了行走轮和地面摩擦。

返回首页 | 品牌大全 | 品牌排行 | 品牌问答 | 品牌资讯 | 品牌价值 | 关于我们 | 联系我们 | 免责声明

Copyright 2013-2020 品牌门户,牌子123(www.paizi123.cn) 版权所有 备案号:苏ICP备13009020号-7

网站地图