专利状态
一种折臂式高空作业车的臂架操控电路及方法
专利申请进度
申请
2021-11-15
申请公布
2022-03-04
授权
2024-03-12
预估到期
2041-11-15
专利基础信息
申请号 申请日
授权公布号 授权公告日
分类号
分类
申请人名称 徐州徐工随车起重机有限公司
申请人地址
专利法律状态
  • 2024-03-12
    授权
    状态信息
    授权
  • 2022-03-22
    实质审查的生效
    状态信息
    实质审查的生效;IPC(主分类):F15B21/08;申请日:20211115
  • 2022-03-04
    公布
    状态信息
    公布
摘要
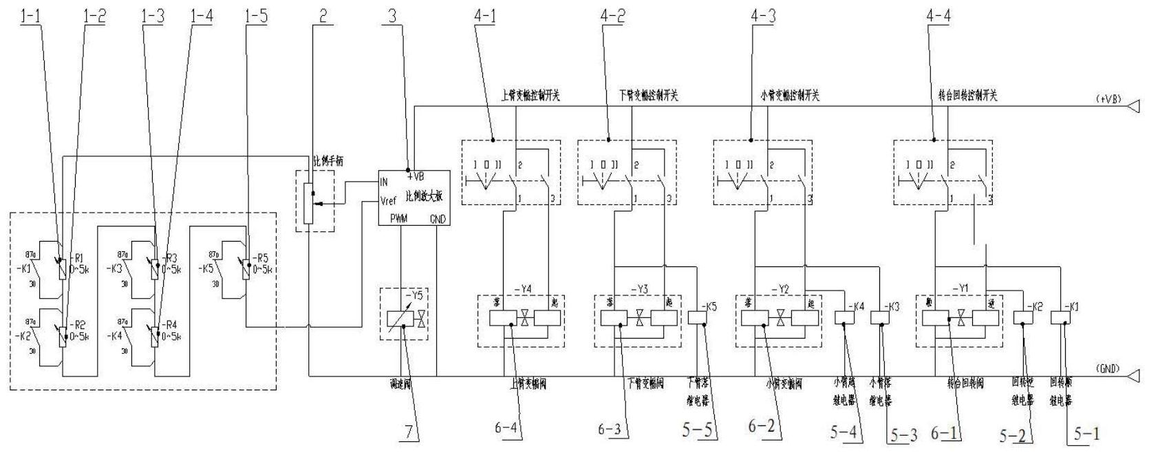
一种折臂式高空作业车的臂架操控电路,包括电比例手柄,与电比例手柄电性连接的比例放大器,与比例放大器电性连接的动作控制开关,与动作控制开关电性连接的动作选择阀,比例放大器的输出端连接调速阀,所述的电比例手柄的输入端串联分压电阻,所述的动作控制开关电性连接速度选择继电器的线圈,所述的速度选择继电器的常闭开关与分压电阻并联,本发明能够自动适应不同类型动作对速度控制的要求,且结构简单、容易实现,具有低成本、高可靠性、高安全性的优点。

返回首页 | 品牌大全 | 品牌排行 | 品牌问答 | 品牌资讯 | 品牌价值 | 关于我们 | 联系我们 | 免责声明

Copyright 2013-2020 品牌门户,牌子123(www.paizi123.cn) 版权所有 备案号:苏ICP备13009020号-7

网站地图