专利状态
一种桥梁检测车及其变幅支腿液压控制系统和控制方法
专利申请进度
申请
2019-10-31
申请公布
2020-01-17
授权
2023-08-08
预估到期
2039-10-31
专利基础信息
申请号 申请日
授权公布号 授权公告日
分类号
分类
申请人名称 徐州徐工随车起重机有限公司
申请人地址
专利法律状态
  • 2023-08-08
    授权
    状态信息
    授权
  • 2020-02-18
    实质审查的生效
    状态信息
    实质审查的生效;IPC(主分类):F15B13/02;申请日:20191031
  • 2020-01-17
    公布
    状态信息
    公布
摘要
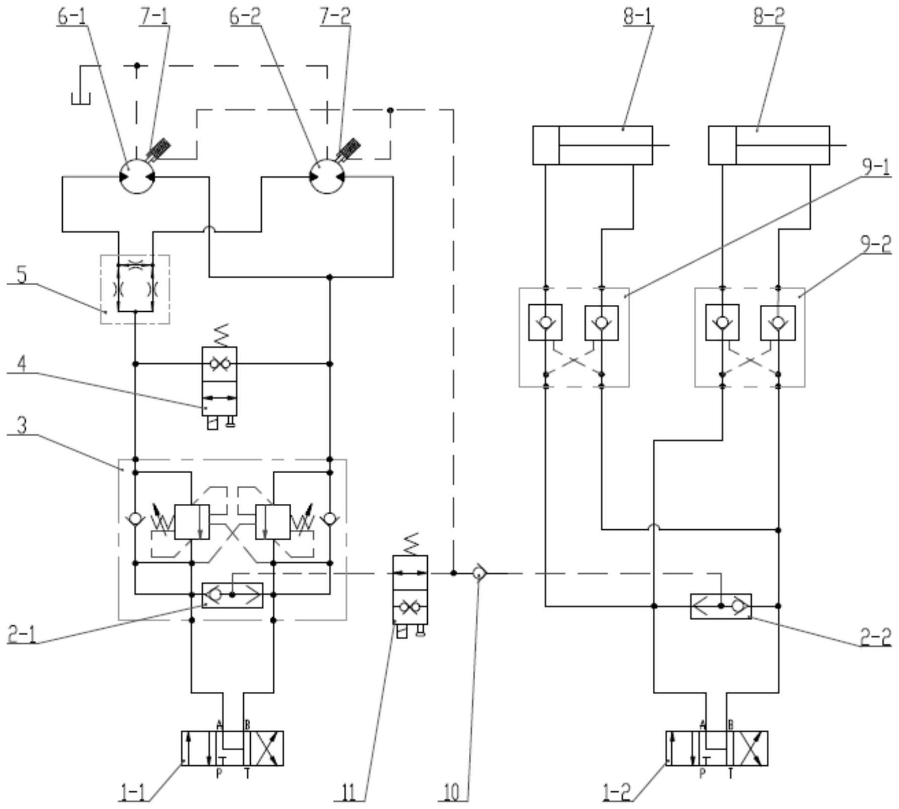
本发明公开了一种桥梁检测车及其变幅支腿液压控制系统和控制方法,包括主动行走轮液压马达控制阀、行走马达梭阀、常闭换向阀、变幅支腿控制阀、变幅支腿梭阀、常开换向阀;主动行走轮液压马达控制阀的工作油口分别与行走马达的进油腔、出油腔连接;常闭换向阀的两端分别与行走马达的进油腔、出油腔相连;行走马达梭阀连接在主动行走轮液压马达控制阀的工作油口A与工作油口B之间,行走马达梭阀通过常开换向阀与行走减速机内置制动器连接;变幅支腿控制阀的工作油口A、B分别与支腿变幅油缸的大腔、小腔连接;变幅支腿梭阀连接在变幅支腿控制阀的工作油口A与工作油口B之间,变幅支腿梭阀通过单向阀与行走减速机内置制动器连接。

返回首页 | 品牌大全 | 品牌排行 | 品牌问答 | 品牌资讯 | 品牌价值 | 关于我们 | 联系我们 | 免责声明

Copyright 2013-2020 品牌门户,牌子123(www.paizi123.cn) 版权所有 备案号:苏ICP备13009020号-7

网站地图