专利状态
一种医疗针尾部钻孔装置
专利申请进度
申请
2016-06-20
授权
2016-11-23
预估到期
2026-06-20
专利基础信息
申请号 申请日
授权公布号 授权公告日
分类号
分类
申请人名称 杭州华威医疗用品有限公司
申请人地址
专利法律状态
  • 2016-11-23
    授权
    状态信息
    授权
摘要
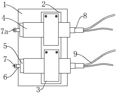
本实用新型公开了一种医疗针尾部钻孔装置,一种医疗针尾部钻孔装置,包括长方形的底板,该底板上端面的中后部设置有一个长方形的基板,在该基板上并排设置有两个长方体形的机架,该机架由五块长方形的金属板拼接而成,且没块金属板相互之间通过螺栓连接,每个所述机架上穿设有一个圆柱形的套筒吗,套筒的左端设置有端盖,该端盖上横向穿设有钻头管体,该钻头管体的左端设置有钻头,所述套筒内设置有电机,该电机的输出端与所述钻头连接,所述套筒的右端设置有伸缩管,所述电机的导线穿过该伸缩管。本实用新型结构简单、便于操作、生产成本低,通过并排设置的两个医疗针钻孔的主体,提高了钻孔效率,钻针尺寸更小,钻孔精度更高。

返回首页 | 品牌大全 | 品牌排行 | 品牌问答 | 品牌资讯 | 品牌价值 | 关于我们 | 联系我们 | 免责声明

Copyright 2013-2020 品牌门户,牌子123(www.paizi123.cn) 版权所有 备案号:苏ICP备13009020号-7

网站地图