专利状态
一种蒸汽加热装置
专利申请进度
申请
2017-05-12
授权
2018-05-08
预估到期
2027-05-12
专利基础信息
申请号 申请日
授权公布号 授权公告日
分类号
分类
申请人名称 东君乳业(禹城)有限公司
申请人地址
专利法律状态
  • 2018-05-08
    授权
    状态信息
    授权
摘要
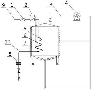
本实用新型公开了一种蒸汽加热装置,包括热水罐、热水泵、加热盘管,其特征在于:所述加热盘管位于所述热水罐中与蒸汽管道相接,所述热水罐并联设有多条热水循环回路,所述热水循环回路包括底部热水循环回路和中间热水循环回路,所述热水循环回路进水端位于所述加热盘管一侧,所述中间热水循环回路出水端位于加热盘管另一侧。本实用新型的有益效果是:本实用新型实现了直接蒸汽加热和间接蒸汽加热的结合,节约能源,整体结构简单,加热效果好,操作方便,同时解决了热水罐中热水温度不均衡的问题。

返回首页 | 品牌大全 | 品牌排行 | 品牌问答 | 品牌资讯 | 品牌价值 | 关于我们 | 联系我们 | 免责声明

Copyright 2013-2020 品牌门户,牌子123(www.paizi123.cn) 版权所有 备案号:苏ICP备13009020号-7

网站地图