专利状态
墙板总成
专利申请进度
申请
2022-04-19
授权
2022-11-04
预估到期
2032-04-19
专利基础信息
申请号 申请日
授权公布号 授权公告日
分类号
分类
申请人名称 财纳福诺木业(中国)有限公司
申请人地址
专利法律状态
  • 2022-11-04
    授权
    状态信息
    授权
摘要
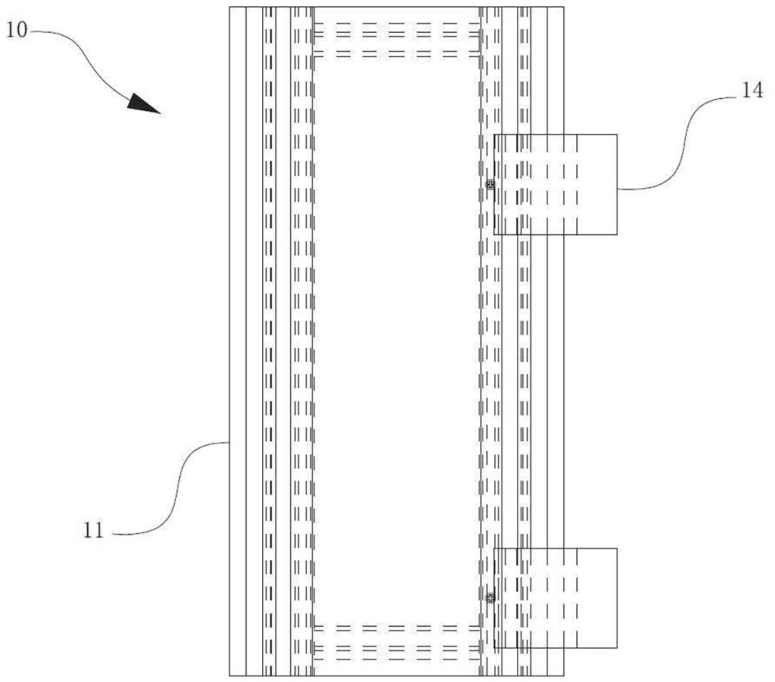
一种墙板总成,包括第一板面、第二板面以及一夹板,其中,第一板面、第二板面以及夹板均具有一中空的外框架,于此外框架的一侧是固设有一石晶板材,而后,则是在所述外框架以及石晶板材形成的中空空间,以在所述中空空间中形成具有复数孔隙的结构体;在所述外框架的另一面,则是设置有一导轨,并在别的导轨上设置有至少一个向外延伸的卡合片;其中,所述的卡合片可在所述的导轨上随着设计者的需求而可任意的在所述导轨上位移,并加以固定;此后,所述第一板面、第二板面以及一夹板则可利用所述的卡合片来相互卡合,并利用相互卡合的卡合片承载所述夹板的重量,如此则可完成整个墙面的铺设。

返回首页 | 品牌大全 | 品牌排行 | 品牌问答 | 品牌资讯 | 品牌价值 | 关于我们 | 联系我们 | 免责声明

Copyright 2013-2020 品牌门户,牌子123(www.paizi123.cn) 版权所有 备案号:苏ICP备13009020号-7

网站地图