专利状态
复合绝缘子芯棒和硅橡胶护套粘和度检测装置
专利申请进度
申请
2019-09-06
申请公布
2019-11-26
授权
2021-08-31
预估到期
2039-09-06
专利基础信息
申请号 申请日
授权公布号 授权公告日
分类号
分类
申请人名称 江苏祥源电气设备有限公司
申请人地址
专利法律状态
  • 2021-08-31
    授权
    状态信息
    授权
  • 2019-12-20
    实质审查的生效
    状态信息
    实质审查的生效
  • 2019-11-26
    公布
    状态信息
    公布
摘要
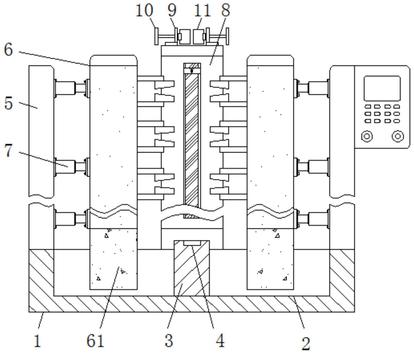
本发明公开了复合绝缘子芯棒和硅橡胶护套粘和度检测装置,包括底座板、夹持机构、液压缸、切割机构、芯棒和硅橡胶护套,所述底座板的上表面开设有滑轨,所述底座板的上方左右两侧均安装有侧板,所述夹持机构设置在滑轨的上方,所述底座板的后方螺栓安装有切割机构,且切割机构的上方螺栓安装有支架,并且支架的前方螺纹连接有螺纹杆,所述螺纹杆的末端安装有夹持块,所述芯棒设置在夹持块之间,且芯棒的下端设置在安装槽内部,并且芯棒的外表面粘接有硅橡胶护套。该复合绝缘子芯棒和硅橡胶护套粘和度检测装置采用自动化检测,不仅保证了检测的精准性,还能降低工人的劳动量,极大的增加了装置的实用性和便捷性。

返回首页 | 品牌大全 | 品牌排行 | 品牌问答 | 品牌资讯 | 品牌价值 | 关于我们 | 联系我们 | 免责声明

Copyright 2013-2020 品牌门户,牌子123(www.paizi123.cn) 版权所有 备案号:苏ICP备13009020号-7

网站地图